3532.15.00.000 Кузов
- 23/07/2019
- Казахстан, Алматы
- Спецтехника
- Продам, предлагаю - частное лицо
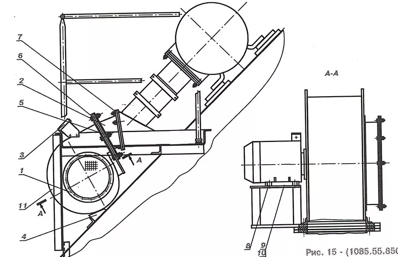
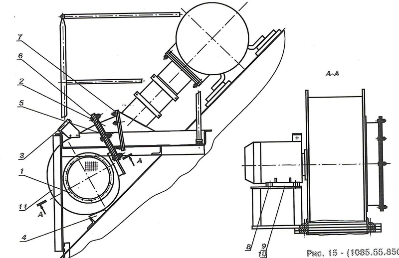
Компания ЭКГ-Лидер производит и поставляет запчасти к экскаватору ЭКГ-5А, ЭКГ-8И, ЭКГ 10И: 3536.13.00.000 Платформа поворотная, 3536.14.00.000 Системы пневматическая и смазки, 3536.14.01.000 Установка компрессора, 3532.15.00.000 Кузов, 3532.17.00.000 Лестница входная, 1086.05.00СБ Стрела, 1080.05.39-3СБ Головная часть стрелы, 1080.05.980-1СБ ограничитель хода рукояти, 1080.05.65-1СБ Тяга, 1085.55.850-3СБ Вентиляция напора и другие расходные материалы. Есть в наличии и под заказ.
ID: 342727
Создано: 11/04/2014



